智能馬桶是新一代科技型產品,內部的設計和功能滿足大多數家庭使用。智能馬桶上那些功能會用到步進電機驅動呢?
1.臀部洗凈:臀部清洗專用噴嘴噴出溫水,充分清洗臀部;
2.女性洗凈:專為女性日常衛生而設計,由女性專用噴嘴噴出溫水,精心清洗,防止細菌感染;
3.洗凈位置調節:使用者無需挪動身體,可根據體型向前向后調節洗凈位置;
4.移動清洗:洗凈時噴嘴前后往返移動,擴大清洗范圍,增強清洗效果;
5.便座緩沖:使用物理阻尼方法,使便蓋和座圈緩緩落下,避免沖擊;
6.自動感應:在沒感應到人體入座前,鎖定洗凈和烘干等功能,避免誤觸發;
7.自動沖洗:使用者離開后,便座器自動放水沖洗;
8.噴頭自潔:噴頭伸出或縮回時,自動噴出小股水流對噴頭進行自我清潔;

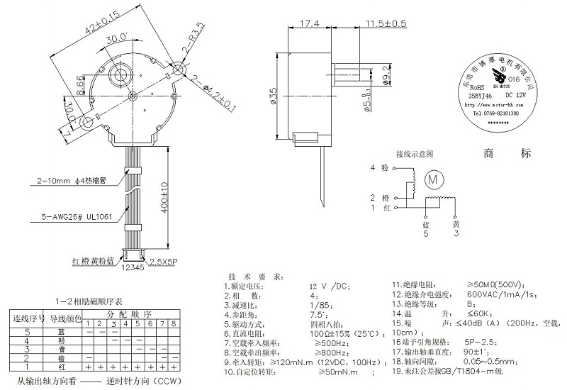
在上述中,不可缺少的是電機驅動,還有部分吹風功能也會用到直流電機。用于馬桶的翻蓋、噴洗系統換水閥、噴臂伸縮功能,一般才有35BYJ46步進電機進行驅動,其核心特點有:
1.長壽命 ,電機的壽命不低于1 萬小時,可長時間運轉的步進電機。
2.耐高溫,電機內置油可在-40°C至140°C的溫度內正常運轉,磁環不退磁。長時間運轉外部溫升控制在70°C~80°C。
3.抗干擾,電機不受電壓電流大小或波形溫度進行改變步距角,不受各 種干擾因素影響丟步。由驅動板控制電機運轉。斷電止鎖,止鎖力與最大扭力相同。
4.低噪音,電機運轉聲音低至35分貝以內,扭力小的情況下噪音更低,以實際測試和調整參數匹配。
步進電機根據自行轉速需求和扭力需求選擇型號電機,一般設計時選用一款型號的電機分別帶動幾種功能,這樣在設計和采購上都有較好的容錯率和售后簡易性。詳情點擊首頁參考規格書,電機除外形外其電氣參數、安裝孔位、線長、端子、軸套齒輪、扁位等均可按需定制。
咨詢熱線
13829170860