咨詢熱線
13829170860




13829170860
|
型號 Modle |
驅動電壓 Diver Voltage (DC V) |
NO LOAD(零負載) |
Rated load(額定負載) |
Stall(間隔/停止轉動) |
重量 Height(g) |
||||||
|
Speed(轉速) |
Current(電流) |
Torque 轉矩 |
Speed轉速 |
Current(電流) |
Torque 轉矩 |
Current (電流) |
|||||
|
r/min |
A |
g-cm |
mN-m |
r/min |
A |
g-cm |
mN-m |
A |
|||
|
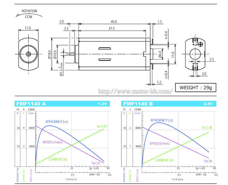
BHFMF1140-01 |
1.2 |
8850 |
0.25 |
10 |
0.98 |
7150 |
1.06 |
52 |
5.1 |
4.47 |
29 |
|
BHFMF1140-02 |
2.4 |
8650 |
0.145 |
12 |
1.17 |
6900 |
0.59 |
59 |
5.8 |
2.36 |
|